1" 16 mm F/1.6 SMA11F16

Downloads

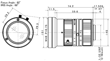
Diagrama

Especificações

Tamanho do gerador de imagens  
1″
Compatibilidade com megapixels  
1.3
Tipo de montagem  
C
Distância focal  
16 mm
Faixa de abertura  
1.6 - 22
T/1.8 - T/24.7
Ângulo do campo de visão
(Horizontal x Vertical)
1″
44.1° x 33.7°
2/3″
31.0° x 23.4°
1/2″
22.7°x 18.7°
Alcance de foco  
0,2 m - INF
Operação Foco
Manual com trava
Íris
Manual com trava
Tamanho do filtro  
M49 P=0,75 mm
Comprimento de onda  
400 - 1700nm
WBC-V-SWIR
(Revestimento de banda larga - visível - infravermelho de ondas curtas)
Distorção na TV  
-1%
Peso  
260g
Temperatura operacional  
-20°C - +60°C
Carrinho de compras

Comparar lentes

Selecione até 2 lentes

Lentes transparentes
Rolar para cima

Carregando a comparação de lentes...